PC110のCPUクロック50MHz化 by T

“住人コメント:以下は、Tさんから頂いたメールの内容を「一言板」に(住人が許可を頂いて適当に)記述したものです”
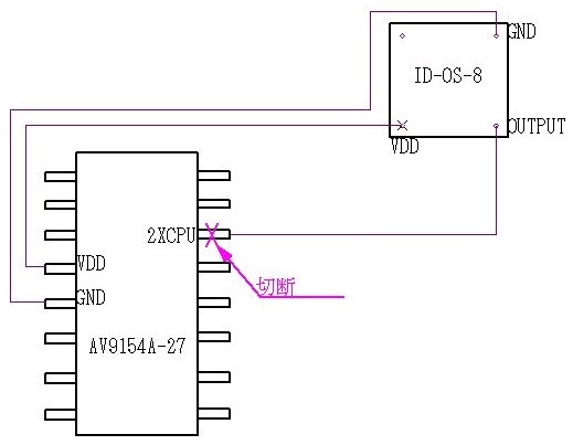
“以前、書かれていた回路図や他の写真も足して、此処に保存しておきます。読み方は最下部から順に上へ”


3444 住人 : 2006/1/3 (火)
>PC110 50MHz化(続々)
Tさんより:Winの立ち上がりに時々フリーズしていたようですが、サウンド・ドライバを休ませたらそれも起きなくなったそうです。

ところで、愚アイデアですが、「仕事中は70〜80MHzで走らせて、アイドル中は33MHzに落とす」って事をやれば発熱・放熱は楽にはならないもんでしょうか?(最近のCPU方式の真似?ですが、手段がねぇ・・・)

3442 住人 : 2006/1/2 (月)
>PC110 50MHz化(続)
Tさん、お休み返上?で頑張って居られるようです。
独創的冷却装置を着ける事で、1時間放置でもフリーズは生起せずとの由。(冷却器=タバコのおまけ時計の裏フタ)
..//yotetey/fig/tspic3.jpg
即席無限ループ・プログラムで実験中だそうです。
..//yotetey/fig/tspic4.jpg
3438 住人 : 2006/1/1 (日)
>PC110 50MHz化
Tさんご自身が、内部+5Vの取り出し場所を見付けられたようです。
..//yotetey/fig/tspic2.jpg
更に、発振器はリード線群で延長してて、ひょうたん電池の空き場所に収納。
..//yotetey/fig/tspic5.jpg
..//yotetey/fig/tspic6.jpg
これで、完全内蔵化が可能になりましたね。
でも、やはり熱暴走は避けられないみたいです。(どうやって冷やすか?ですかねぇ。空冷では間に合わないかなぁ)

3436 住人 : 2006/1/1 (日)
えー、新年早々に「Tさん」と云う方から、面白い話をお伺いしました。
「PC110が50MHzで動かせた」そうです。その画面はこちら→ ..//yotetey/fig/tspic1.jpg
やはり、OSの立ち上がりなど、早くなるようです。今、これのクロック発生に外部電源+5Vを使って居られます。

で、何方か、PC110内部で+5V電源が出ている箇所があるか?それは何処か?ご存知でしたら、ご教示下さいませんか?

初期の回路図→..//yotetey/fig/tspic0.jpg
(この回路構成では、発振器の電源VDD=5Vが供給されないため発振出力不足(住人註:VDD=3Vだと、出力は約1V程)。内部で見付かるまで、VDDとして外部電源5Vを使われていました)


[表紙頁]へ  [一言板]へ