[100325/0608]

真空管試験器を自作−連載 (ちょっとずつ、↓下方へ進行)
(記事は順次追加式にしてあります)   ↓電源修理

前書き [100325]
以前、無線に熱を上げていた頃、はるばる名古屋まで行って買って来た米軍放出品の「真空管試験器 I-177-B」(\6,000)を、熱が冷め始めたある時、いともあっさりと処分してしまったのですが、それ以来、自分の早技(?)が悔しくて、夜も寝られず。
(後で、調べてみたら、回路図板だけ残していました。左写真&<クリック>)
今買うと何万円もするらしいし、機能的には大した事も無さそうだし、対象真空管を1度測ればそれで終りだし...と自分を慰めていたのですが、近頃、また真空管試験器が恋しくなって来て...

そこで、思い立って、自分で自分好みの“実験用試験器”を作ってみようと考えました。
作るからには、色々実験が出来るようなものにしてみたい。
特に、低B電圧動作に関心があるので、それぞれの真空管でどの程度の増幅度が得られるものかなど、あれこれ調べてみたいですね。
こんな“試験器作り”この先、どれほどの紆余曲折 があるか分かりませんが、(まぁ、のんびりと?)やれるだけやってみようと始めました。

先に全体的な構想を作ってしまえば、話は早いのかもしれませんが、“個別パーツをあれこれ漁りながら、どう組み上げて行くか”も愉しみなので、“個別⇔全体”と、往復しながら進めようと思ってます。

電源の準備−1
左写真は、先日店頭で見掛け、小型で安かったので買って来たB電源用のトランス2個。(1次:100V,2次:12,20,22,24V 0.2A \250/個。塚口勇商店で購入)
本当はB電圧として100Vほど欲しいのですが、2次側がmax 24Vでは、全然足りません。そこで、3〜4倍圧整流にして、電圧を上げることにしました。

偶々、ダイオードが3本しか無かったので、3倍圧でやってみたら、5.4KΩ負荷(約15mA)で80Vほど得られました。(左写真<クリック>)
その内、ダイオードを買い足して、100Vは確保しようと思います。
ただ、ケースとの兼ね合いで、このトランスでも場所を取り過ぎるようなので、このまま進めるかどうか?も、検討中。
−−−−−−−−−−−−
メータの検討 [100331]
今回は、パネル・メータですが、実はこれを3個ほど並べて、値を読み取り(出来ればデータ採取も)したいと思っています。
読みたい値は、
  1.入力信号レベル(電圧)
  2.B、C印加電圧
  3.出力レベル(電圧)&ゲイン/利得(μ(ミュー)Ω-1(モー)
など。
(通常は、1個のメータだけで“スイッチ切り替え”で、読めばいいかもしれませんが、レベルも切り替える必要がある時には、構成が複雑になるので、製作が煩わしい)
まず、左上写真の左側のような小型パネルメータ(\680税込)を買ってみたのですが、これを今のケース上に3個並べると、どうも容積が足りなくなりそう。

そこで、更に小型のレベル・メータ(俗称?“ラジケータ”)を検討してみました。(左上写真の右側)
これだと、かなり容積を縮められそうですが、果たして、使い物になるか?(左上写真<クリック>)

目盛(メモリに非ず)の改造−1
買ってみたのは、そこそこの大きさで、Replace/Week/Good表示だけの“VUメータ(と書いてあるが??)”、フルスケールDC500μA(内部抵抗650Ω)で、両側にビス孔があるもの。(\462税込)
(尚、針の振れは“リニア”で、“VU”などではないのは先刻承知ですが、ふと、本当に“VUメータ”だったら、逆に困るなぁ!と思ったり)

買う時に、前枠がセロテープだけで留められていて、糊付けされていない事を、確認。“糊付け固定”だと、取外しが面倒です。

このタイプの改造用目盛は、直線的だから作り易いし、“目盛紙”の装着も両脇に嵌め込むだけなので、至極楽!(“大変楽だ”の意ですが、“極楽に至る”とも読めますね。冗談!)
変換用、補正用抵抗は外付けにします。max150V表示の場合、半固定抵抗を使用し、300KΩに設定。

で、目盛板を替えて、実際に30Vを表示させてみたら、“うーむ...?”(左写真)
30Vなのに、正面から見ると25V!“視差”が大き過ぎる...(実害は少ないけれど、心情的には、拒否反応♪)
って事は、このタイプは、中央付近の狭い範囲しか、“値を読む”のには適さないようです。

このラジケータ、値段の割に、見易さ、取り付け易さは、良さそうに思ったのですが、残念でした!
(更に、別のを検討するか、当初の物で考えるか、煩悶中♪)
−−−−−−−−−−−−
SW(スイッチ)群の検討 [100402]
“真空管試験器”には、沢山の切り替えスイッチが必要です。
ここには、接続マトリクスを見易くするのに、1回路6接点くらいのスライド・スイッチを(10個ほど)並べたいと思っているのですが、未だに適当なのが見付かりません。

(左写真は、その昔、アンテナ群−無線機群の切り替えに使っていた1段1回路12接点のスライド・スイッチで、日本橋・スーパー・ビデオで購入。値段失念)
(また、自作されている例の中には、ピン・プラグ&ジャックとリード線を使って、接続替えをする方式も拝見しましたが、通常はロータリ・スイッチを使う例が多いみたい)

(スライド・スイッチはまだ諦めていませんが、)取り敢えず、(無駄を承知で)ジャンクのON-OFF-ON型トグル・スイッチ群を買い込んで、これで検討を始めています。(左上写真<クリック> \50x32個税込)
(当初、DIP-SWの利用も考えたのですが、ヒータ系の電流容量が不足するとの懸念から、断念)

接続すべき項目と端子は、
 *Heater/Filament電圧  →(例えば、Pin-1,Pin-7などへ)
 *入力信号+バイアス電圧→(例えば、Pin-3,Pin-6などへ)
 *SG電圧          →(例えば、Pin-6,Pin-4などへ)
 *B電圧+負荷      →(例えば、Pin-2,Pin-6などへ)
“自分好みの試験器”を作ることもあって、この接続は、世の中の真空管全ては考えずに、手持ちの分だけで、しかも特殊な奴は省く事にしていますが、それでも“括弧で括って”、簡単化してスイッチを減らす事は、難しいですね。今回は、複合化などはせず、1対1の“馬鹿正直的接続方式”にします。
  *作ってみた手持ちの真空管の「接続表(参考資料:日立真空管ハンドブック'62年版など)

ケースのこと
勿論、スイッチは、これ以外にも、信号源の切換やメータ・レンジの切換など幾つも必要ですが、きっと最初はあれこれ見落としていて、後から“あっ!”と気が付くだろうと覚悟しています。
(これでは、とても、JR西の社長などは務まりませぬなぁ。。。はぁ)

だから、収納用/操作用ケースは、本来余裕のある大きなものを考えるべきなのですが、(懲りもせず!)小型化を狙って、昔に買ってそのまま残していたアルミ・ケース(25x17x5cm3)を使おうとしています。(左写真)

(まぁ、このケースの上板は、1枚板を“コの字”に曲げて作る事も出来そうなので、試作では、まず別板を買って来て曲げて使おうか?などと考えたり)
しかし、“検討中”は、常に無駄と隣り合わせですね♪(^^;? (でも、自分の月決め小遣い/借金無しの範囲内でやるので、許される?)
−−−−−−−−−−−−
ケース再考、その前に [100406]
普通、“真空管試験器”の回路は、殆どソケット群とスイッチ群で構成されていますが、ここでは“値を見る”事を重視したかったので、メータを沢山設けたいと思っています。(左図)

これらを入れるケースは、当初考えていたのより、少し大きくしないと無理かもしれないと考えて、ネット・オークションでジャンク・ケースを物色していたら、カセット・テープ用の録再器?MINISTUDIO TASCAMが眼に留まりました。(左図<クリック>)

(美品は、結構高値なようですが、これは傷んでいたので廉価。総費用\1,100。やはり、送料が嵩んだ)

VUメータ等の流用
メータが備わっているので、目盛を改造すれば、希望数は確保出来そうです。(左写真)
が、この装置、ケース本体を、果たして上手く改造して使えるのでしょうか?(あまり、自信が...)

基板類で流用出来そうなものに、電源SW類がありますが、これは(不幸にも)ソケットを置きたい場所に重なる部分があるので、必要部分だけ切り取って使わないといけないようです。(左写真<クリック>)

VR類と基板の流用
さて、これに一杯付いているVRの内、スライドVRを何とか利用したいのですが、どれもVR類は内側の基板に直付けなので、扱いが厄介です。
部分的にロータリSW類と置き換えるのは、少々難しそうなので、VR類は全部基板ごとダミーとして残さざるを得ないだろうと思ってます。

VRなどを個別に利用、それに、もしかしたら、アンプ回路なども利用出来るかもしれないので、配線類はやたらに外してしまっても拙いから、先に少し回路の解析をしておきたいですね。
(でも、そんな事をしていたら、日が暮れてしまうがな。f(^^;)

ソケット取付の予備工作
このケース、ソケットなどを取り付けようとすると、結構面倒です。
VRを沈み込ませるのに、裏(内部)側の円筒状の出っ張りを設けてあるので、これを取り除く必要があります。

60W半田鏝の先に薄い銅板を取り付けて、加熱しながら切り取る方法を採用。何とか切り取れました。(左写真&<クリック>)

次に、GT、STソケットの孔広げは、半月型のヤスリで、根気よくゴリゴリ♪(見た目は、そこそこ綺麗に?仕上がりました)

ソケット取り付け
装備する真空管ソケットは、一応主な4種、MT-7ピン、MT-9ピン、GT-8ピン、ST-6ピン(のみ)にしました。(左写真)
MTソケットは、孔が大き過ぎるので、アルミ板で補ってあります。(左写真<クリック>)

STソケットは、(5球スーパ用真空管には)4,5,6,7ピンの各種が必要なのですが、実はST管はあまり好きな形ではないので、代表的な6ピンだけに。(先日購入分
(もし、拡張・増設が必要になったら、GTソケット部から引き出すつもり)
後、スイッチ・マトリクスは、カセット・テープ装填部にでも取り付けようかと思案中。
−−−−−−−−−−−−
電源の検討−2 [100410]
(えっちら、おっちら♪となかなか進まない“真空管試験器の自作”ですが)今回は、当初に買った電源トランス(12V,24V 0.2A)2個の内1個を、ヒータ用電源(6.3V、12.6V)用として使えないか、検討してみました。

結果、悔しい事に、交流電圧のままだと、(電圧6.3Vの方は良いとして)12.6V用には少し足りません。(左写真)
当然ながら、真空管に電流を供給すると、電圧が約11.5Vまで落ちてしまう。(左写真&<クリック>)

実際のラジオでは、これ位でも十分動作すると思うのですが、何せ“真空管試験器用”ですから、そんな値は許されません。

直流化が有効
暫く、思い悩んでいたのですが、何の気なしに、直流化してみました。
そしたら、ビックリ!12V端子から18V超(無負荷時) 14V(負荷有り) が得られるではあ〜りませんか♪これなら、御の字です!(左写真<クリック>)

真空管を点灯しても、まだ、お釣りが来るので、約10Ωの抵抗を入れてドロップさせました。(左写真)
これは、後でレギュレータなどを入れて、12.6V、6.3V、1.4Vを取り出す事にします。

(しかし、少々腑に落ちませぬが、直流化したからって、別にエネルギーを得しているわけでもないでしょうから、多分、交流電圧の実効値と直流電圧値の違いの問題だろうと思いますが。ホント?...でした!

電流値の確認
後で、ひまじんtpさんから、コメントを頂いたのですが、それが切っ掛けで、消費電流の事を思い付きました。感謝!<(_"_)>

もしかしたら、交流(AC)点灯と直流(DC)点灯では、電流値は違わないか?ってこと・・・ (それに、感じだけなのですが、ヒータの明るさ/赤さが、DC点灯ではやや弱い/暗い感じもあるし)

そこで、追っ掛け調べたら、真空管−12AT7で、交流電流は約0.14A(≒140mA 左写真)、直流電流は約0.15A(≒150mA 左写真<クリック>)でした。
(交流電流の方は、クランプ・メータを使いましたが、漏洩磁束を測る方式なので、トランスの傍だし、弱い電流の正確な値を得る事が難しい。が、一応、この値としました)

値としては、AC、DC同じなので、消費電力(≒電圧x電流)はAC点灯の方が、やや少ない事になります...が、感覚とは少しミスマッチですねぇ。 (まっいいか!どうせ趣味の範疇ですから、近似値/アバウトで我慢♪)
−−−−−−−−−−−−
ケース決定 [100416]
先々回、TASCAM PORTA ONEケースに流用しようかと考えてみたのですが、全体的に余分なツマミが多過ぎて、どう見ても“愉しくない(/試験装置に似合わない)”ので、止めることにしました。

メータも、PORTA ONEVUメータの改造を考えたけど、目盛面が全体に糊付けされていて、それを綺麗に剥すのが難しそうだったので、これも早々に諦めて、代わりに、最初に買ったメータ(目盛面はGM-50・・・箱書きはGM-45?)を3個揃えました。(\680/個税込)
(しかし、このメータ、目盛や目盛アルミ板の加工精度が良くないですね。“安かろう、悪かろう”の類ですが、反面、素人改造も、し易いし、本物を冒す不安さも無くて気楽♪)

加工
このケースの上蓋は、最終段階まで温存するために、別途仮蓋としてアルミ板を買って来て、350mmx170mm(0.8mm厚)に切り取って“コの字型”に加工したものを使いました。
(勿論、仮蓋とは云え、綺麗に仕上がればそのまま使うつもりですが...どうなりますやら)

一番手間が掛かったのは、メータ部の孔開け
これは、(昔ながらの方法で、)2.5mmΦドリル刃で輪郭を開けてから、ニッパーで切り落とし、半円ヤスリで丁寧に(ゴリゴリと)目分量で円形に削って行くのですが、結構、綺麗に仕上がりました。
(左上写真&<プッシュ>&<クリック>)

真空管の孔の方は、シャーシ・パンチがあるので、それでやれば数分で片が付く。(“型で抜いた”かな?)

スイッチ部は未決
一応、メータ群ソケット群は、ケース内部のトランスやパーツ類と衝突しないような場所に配置し、孔開けを済ませましたが、スイッチ部や電圧可変用VRの配置をどうするかで、迷いが生じました。

VR(可変抵抗)類は、“下側ケース”に固定して、ツマミを手前に突き出すスタイルを考えていたのですが、“上蓋”面に、メータ群と小スイッチ群だけでは、少し貧弱な感じなので、“VR類を、上に移すかな?”と考えたり。(左写真&<クリック>。 尚、スイッチ群を載せている基板は、仮)

そうすると、配線群を、下側ケースから上蓋側に、上手く渡す方法を検討しておかないと、蜘蛛の巣になっても拙いし、(上蓋を開いての)メンテナンス性も悪くなります。
それと、左側の表面(ちょうど、トランスの上空)がノッペラボウなので、何か埋め草でも考えないと...

回路案
下図は、全体回路案ですが、まだ完全ではありません。実際に組み立て始めてから、細部を手直しして行こうと思っています。(特に、パーツの上下振り分けは、重要)
Gm表示の方法については、まだ五里霧中。(^^;? (この謎解きも、また愉し)
−−−−−−−−−−−−
配線開始−ケース皮膜剥し [100424]
大きな部品類の配置を終えて、メータの“機能&レンジ切換用スイッチ群”を取り付ける加工をしました。
その際に、ケース表面にコーティングされていた青色ビニール?皮膜が、傷だらけになって来た(/してしまった!(><;)ので、思い切ってそれを剥したのですが、やはりアルミ地肌は汚れ易いですね!(左写真)
元の皮膜は、遠目には左写真<クリック>のように綺麗に見えるのですが、傷が沢山あると、近目には結構目障りだったもんで。

通常は、穴開け加工が終わった時点で、アルミ表面に塗装・文字入れなどをするのがベストなのですが、アルミへの塗装は上手くやれた験しが無いので、今回は/も(むにゃむにゃで)パス!

スイッチ&ソケット配線
スイッチ・マトリックスの縦配線には、0.35mmΦのポリウレタン被覆銅線を使いました。(左写真)
そのついでに、真空管ソケットへの配線も、同じ線を使用。(左写真<クリック>)
150V近くの電圧も扱うので、多少絶縁性が気になりますが、多分大丈夫でしょう。(今までの経験と素人組み装置の気易さからですが、信頼性の観点からは、まず失格 でしょうね)

実は、小型スイッチ類も、耐圧、耐電流に関しては、あまり余裕があるものではないので、この試験装置は、長時間運用には適さないだろうと思います。(製品や商品にするなら、もっと安全性・信頼性を考慮すべきなのですが、個人の趣味だから、これでも許しておきましょう。(^^;?)

電源トランスの変更
当初、高圧(B+)側とヒータ/フィラメント(H)側を、それぞれ1個ずつのトランスで賄う心積もりでしたが、どうもケースの内容積から考えると余裕が無さそうなので、別のトランス1個(1次AC100V−2次160V,10V)に変えました。(左写真&<クリック>)

ただ、これを使うと高圧出力がDC200Vにもなり、逆に余裕があり過ぎて?コンデンサやトランジスタの許容耐圧やメータ目盛の面では、ギリギリなので、やや困惑気味。
+B電圧は、一応トランジスタ簡易回路で電圧可変制御をする予定。

部品類のこと
メータ類の補正抵抗は、単体抵抗を選別して付けるのが普通なのですが、今回は(手間と費用を惜しんで?)トリム・ポット(多回転型バリオーム\100〜\200/個)を使う事にしました。
電圧可変用バリオーム(可変抵抗器)は、これもケチって小型普及品(\100〜\250/個)を使用。

その他、部品は出来るだけ有り合わせの物を使いたい処ですが、何せ電圧が50V以上になる所が多いので、手持ちのトランジスタ用小型品が使えず、四苦八苦。

個別部品類はそれ程多くはないけれど、中空に置くわけにも行かないので、基板に搭載します。(昔の真空管回路では、ラグ板を使って、部品の“空中配線”が、至極一般的でしたが)
参考になる実体配線図など有るわけも無いので、ラフ・レイアウトを描きながら始めました。(左上写真)

修正回路図


上図は、変更した回路図。(詳細な説明は、また別途)
ヒータ/フィラメント電圧-C電圧は、有り合わせのトランスなので、10Vしか出ていません。これでは不足なので、2倍圧整流にして約±25Vを得ます。

また、増幅度を見るための信号源として、通常は交流電源電圧(50Hzまたは60Hz)をそのまま使うらしいのですが、ここではEXO-3(\150/個税込)を使い、数百KHz辺りの高周波信号でやろうと思っています。
(出来れば、綺麗な正弦波信号でやりたいと思ったのですが、EXO-3の出力波形は矩形波。ま、別に、多少汚い信号波でも構わないかな?と思ったり)
−−−−−−−−−−−−
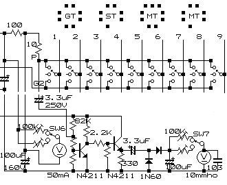
高圧部修正 [100507]

当初、高圧電源部のレギュレーションが悪くて、色々回路を変えてやってみていたのですが、左図は、修正した高圧電源部で(110Vの時)50mAほど流して電圧低下が10V以下だったので、これで進める事にしました。

可変抵抗器VR1で、およそ22V〜160Vの範囲で電圧を可変に出来ます。(最低値は、ちょっと下がり過ぎか?)
使用した制御用Tr(トランジスタ)は、2SC782(手持ち品)x1、2SC4001(購入品\135)x2で、いずれも耐圧300V品。

上図のVR10KΩで出力電圧を変えますが、下の固定抵抗1KΩは電圧上限を狭めるため、また、上の固定抵抗100KΩはVRの利き幅を調整するために入れてあります。

電圧レギュレーション(安定性)
予想では、電源トランスの容量から見て、160Vで20〜30mA取れればよい方だろうと思っていたのですが、無理すれば50mA位は取リ出せそうです。
出力電圧100V辺りだと、100mAは楽に取れます。(しかし、この真空管試験器で、そんなに大電流を喰う真空管を調べたいとも思いませんが。(-,+;?)
(オープン/無負荷では200V以上出るのですが、電源トランスの方も上限だろうし、トランジスタの制御回路にもあまり高電圧・大電流を扱わせたくないので、この辺りで妥協しましょう)

電圧計の整備
電圧値表示用として、元々はDC30Vmaxの電圧計(実は、内部抵抗約230ΩのDC1mAmaxの電流計+30KΩ固定抵抗の組み合わせ)に、トリムポット(トリマ・ポテンショメータ\200/個税込)を外付けし、30V&150Vmax用に転用しました。(左写真<クリック>)

左写真は、左端のメータの表示値を合わせている様子(俗に、鳴き合わせ?)ですが、今回は取り敢えずこのメータだけ。

他は、微小信号電圧値やgm値をさせるメータですが、一応目盛は入れたものの、期待通り行くとは思えないので、実験と試行錯誤の日々か?
−−−−−−−−−−−−
高圧部大改善 [100510]
今回、真中のメータで(前の構想の“グリッド入力を見る方式”は止めて、)“プレート電流を見る方式”にしてやろうと、配線替えをした後、負荷抵抗をぶら下げて電流値を調べ始めた時、うっかりクリップの先同士をショートさせてしまいました。(左写真<クリック>のような実験風景で)
結果、高圧トランジスタ全部を取り替える羽目になってしまいました。orz
どれが壊れているのかを調べて行く間に、将棋倒しのように全部を壊してしまったようです。

挙句、“羹(あつもの)に懲りて、膾(なます)を吹く!”の喩えのごとくで、あれこれ保護策を採る事にしました。(左上写真。これらは、主に“実験中の事故対策”ばかりですが、しておかないと作業が捗らないため)

保護回路
回路は左図のようで、“ダイオード・ブリッジ保護用”に0.5Aヒューズ、“制御回路保護用”に過大電流制限回路を設けました。(左図)
(電流制限回路は、抵抗1本、汎用トランジスタ1個で出来るので、始めから入れておけばよかった!)

更に、Tr1は、耐圧だけでなく電流容量の大きい2SC2542に替えました。(これで、少々のショート事故なら耐えられるでしょう)

動作試験に着手
プレート電流を見る事が出来るようになったので、先ず6AU6(傍熱型5極管)のプレート電流を調べてみました。

(値の正確さは別として)一応、プレート電圧、第2グリッド電圧、グリッド負電圧を変えると、それらに応じてプレート電流が変わる事が確かめられました。(しめしめ♪)
因みに、6AU6:Vp=100V,Vsg=75V,Vg=0Vで、Ip=12mAでした。

ここまでの試験では、何やら感触は良さそうだったのですが...問題なのが、ヒータ電圧です。

問題点
オープンでは7Vほどあるのに、6AU6(0.3A)を挿すと5Vしか出ません。更に、6AR5(0.4A)では、4Vに下がります。6BQ5(0.76A)に至っては、2Vしか出ないと云うお粗末さ!

よもやとは思ったのですが、どうやら電源トランス10V系の容量不足が主因のようです。
その対策として、もう少し現在のケースと内部構成で頑張るか、ヒータ系電源だけ別付けにするか、はたまたケースを替えて組み直すか、あれこれ思案投げ首。

次回の予定
ヒータ電圧の方は後の懸案として、取り敢えず、メータでgmが読めるかどうかを調べたいと思っています。
−−−−−−−−−−−−
配線完了(まだ、製作完了ではありませぬ) [100518]
やっと、回路構成が纏まり、配線が完了しました。

低圧電源部は、倍圧整流や負電圧生成を止めて、大人しく10V ACをダイオード・ブリッジで整流し、約13V DCを得るようにしました。
こちらの方が、6.3V出力のレギュレーションが良さそうです。
12.6V出力の方は10V〜11Vに下がるので、電圧維持は無理なようですが、12V管の動作にも何とか使えそう。

一番の問題で、まだ課題が残っているのが、“gm表示”で、一応はそれらしい値を表示させる事は出来ましたが、信号増幅回路の直線性が良くないので、やはりOPアンプを使う方式にすべきでした。(今は、トランジスタ2個のアンプ)

尚、gmを調べるための信号は、当初数百KHzの高周波信号を使うつもりでしたが、配線が錯綜し漏れ信号が邪魔になりそうなので、電源周波60Hz(こちら関西!)に変更。

配線の実態
主要回路を万能基板の切れ端に組んだものを、部品搭載側からみたのが、左写真。

一見、整然?としているかの如くに見えますが、基板を裏返すと、全く蜘蛛の巣!(左写真<クリック>)

(何度も、部品を付けたり外したり、配線替えをしたりしていると、ざっとこんなもんです♪ こんなのは、測定器と云うより、単なる実験回路ですね)

蝶番を使って、基板を半分ひっくり返す構造にしたのは、正解でした。信号の確認や回路修正が、楽!
更に、線束をシャーシ側と基板側の両方できちんと固定するようにすれば、もっと実験がやり易くなったかも。

回路図
左図は、プレート電流(max50mA)を見るメータ部とgm(max10Ω-1)を見るメ−タ部を抜き出したもの。(全体回路は、左図<クリック>)

参照用信号は、低圧電源の残留リップルを取り出して、VR2で約0.5Vに分圧して、用いました。
これを第1グリッドに注入し、プレート負荷50Ωの両端に現れる信号電圧を増幅・整流して、直流電流計を振らせます。

増幅処理や増幅度は、一般的な小信号用トランジスタので間に合いますが、出力はエミッタ・フォロアを使って増力してやらないと、力不足のようです。(これは、OPアンプを使った場合でも同じでしょうね)
ただ、単体トランジスタだと(信号の振幅にも依ると思いますが)入力−出力の直線性はあまり良くない感じがします。(ちゃんと、定量的に調べたいが...)

やってみて分かったのですが、小信号を増幅して使うので、高電圧側の“残留リップル”が、かなり邪魔!
大容量電解コンをあちこちに入れまくり。やや、治まったようですが、耐圧の高いコンデンサが必要なので、結構嵩張ります。

途中結果
左写真は、6AK5を調べている時のメータ(プレート電圧、プレート電流、gm値?)の振れで、約100V、約10mA、約5.2m Ω-1(5,200μΩ-1)但し、gm値は何も校正していなくて、適当にトリム・ポットで設定しただけです。

他に、6AK5複数本、3Q4、6AU6、6AG7、12AT7などを調べてみましたが、真空管毎の特性のばらつきや設定条件による増幅度の違いなどがあって、表示されるgm値に喜んだり、悩んだり♪
(まぁ、きちんと校正する方法を見付ける必要がありますね)

−−−−−−−−−−−−
検証開始 [100520]
端子配置が同じ3種の3極管(12AX7,12AU7,12AT7)で、gm値はどうなのかを調べてみました。(左写真)

gm確認は、値が最大になるように、カソード抵抗を切替・設定しました。(規格表通りではないけど)
(双3極管なので、ヒータは、6.3Vで両方点灯しましたが、測定は片方だけ)

結果は、左下写真の如くで、メータは左から
[プレート電圧],[プレート電流],[gm値]。
下左写真<クリック>で、12AU7の測定試験風景の拡大。








現状での実測値は、規格表の値よりやや甘め/多目に出ています(上表)が、“各真空管での違い”は顕著に出ているので、この“真空管試験器”は、少なくとも“管種識別”には使えそう。
で、低増幅率の12AX7のgmは約2mΩ-1。マイルドな12AU7は約3.5mΩ-1。高増幅率の12AT7は約5.2mΩ-1...だそうです。f(^^; (尚、これらの真空管は、どれも中古品)

電池管
電池管1L4で調べようとして、うっかりヒータ電圧切替スイッチを6.3V設定状態で、通電してしまいました。(ダメですねぇ)

当然、フィラメントが焼け切れて昇天!(左写真)
(電池管の場合、ここが鬼門で、何か安全策を施したいけど良策も無いし、必ずうっかりミスはやるし、困った困った!)

嘆いてばかりでは先へ進めないので、思い切って慎重に他の電池管1S5に差し替えて調べてみたけど、gmメータが全然振れません。トホホ! 明らかに、アンプの増幅度不足ですね。
これでは、低gm管だと測れない!当然、仕切り直しです。
(次回は、基板の隙間に、何とかOPアンプを組み込むつもり)

−−−−−−−−−−−−
完成前夜♪ [100526]
出力増幅部にOPアンプを組み込んだら、低増幅率の球(タマ)も、ちゃんと測れるようになったので、操作パネル面にレタリングしました♪(左写真&<クリック>)
普通紙にプリンタで印字した文字群を、裏に両面テープを貼って、切り張り。(個別に貼るので、ガタピシ。まだ、気に食わないので、また貼り直すつもり)

今回の課題は、雑信号(リップル)の除去、それに入力電圧の設定とgm値の較正です。
いずれも、一応解決出来ました。

増幅・整流回路
これまで、プレート電流の変化を、負荷抵抗50Ωの端子に生じる微小電圧で読み出していたのですが、“単純取り出し法”(?)だと、電源電圧に含まれているリップルが、(こちらの方は)大変邪魔/有害でした。
(リップル除去のため、大容量・高耐圧の電解コンデンサを付けていたけど、除き切れず)

今回、OPアンプで“差動増幅方式”(左上図)を使ったら、邪魔ものが綺麗さっぱりと取り除けました!
更に、整流回路もOPアンプで構成したら、ダイオードの閾値以下の電圧もちゃんと拾えるようになって、万々歳!(このOPアンプ、2ch分入っていて片電源でも動作するので使い易く、気に入りました♪)

入力量の較正
実は、入力信号電圧は、ヒータ用電源のリップル分から、単純な抵抗分割で取り出しているので、真空管を替えると負荷が変わり、取り出す電圧も変わって来ます。(負荷が重くなるほど、リップル電圧も増える!) で、折角設定した入力電圧値も、一緒に変わってしまうのは、困る!

今の方式だと、入力量(電圧値)をどの程度にするにせよ、真空管を替える度に、手操作/手動で一定値に合わせる必要がありそうです。

そのために“切替スイッチ”を、元あった1回路3接点のスイッチから“2回路2接点”のものに替えて、コントロール・グリッド(G1/CG)への入力信号を、“出力を測るのと同じ増幅回路”で確認する一般的な方式にしました。(左上図)
今回は、取り敢えず、入力AC 20mV P-Pの時、1,000μΩ-1の位置を示すように調整・設定しました。
(実は、少し手抜きをして、アンプのゲインを切替せず固定にしたので、高い方で飽和しないように“入力値”を低めに設定。ために、低増幅率の真空管に対しては、ゲインぎりぎり/カツカツ状態。今後の検討課題)

操作の問題として、後段に長い時定数の積分回路を入れてあるため、かなりイナーシャ/慣性があって、メータ位置を合わせ難いことです。(慣れればいい!のかな?)
他方、“増幅度”や“カップリング・コンデンサ”が大きいこともあって、gmメータの針が勢いよくカチン!カチン!と振り切れる事も多いので、通常は回路を切っておけるよう、手動押しボタンを設けました。
安定した頃を見計らって、この“押しボタン”を押して、gm値を読みます。(左上図<クリック>の赤ボタン

gm表示値の較正
gm表示値を較正するには、やはり現物を使って“スタティック法”で調べた値を使うのが、分かり易そうです。

これは、カソードに抵抗を入れた時と、ショートした時のプレート電流の変化から計算する方法で、ラジオ・シャックさん処の、「真空管gm測定器について」を参考にさせて頂きました。
元は、故梶井OMの案だったようで、お二方に感謝!<(_”_)>。

試しに、6R-R8という通信用高gm管で調べてみました。(左写真<クリック>)
結果は、以下の如く。
 カソード抵抗:0Ω→18mA、56Ω→12mA  (3極管接続 B電圧100V)
  gm = (18/12-1)/56 = 0.0089 = 8.9mΩ-1 (尚、“Ω-1”の代わりに、“シーメンス”を使う例もあるようです)

条件を多少変えても、これに近い値だったので、“gm直読メータ”系も、これに合わせ調整しました。(左写真&<クリック>)

因みに、6AK5の場合、
 カソード抵抗:0Ω→19mA、56Ω→15mA
    (3極管接続 B電圧100V)
  gm = (19/15-1)/56 = 0.0048 = 4.4mΩ-1
ですが、gm直読の方は、およそ4.0〜5.0mΩ-1(プレート電流値の逆数に依存かな?)でした。
(表示精度は一桁がやっとこさで、下一桁は±50%程怪しい/適当ですから、こんなものでしょうか?)

残る課題
更に、低gm管の方もデータを採ってみて、妥当な結果なら、一応製作完了にしようかと思っていますが、気になるのは、メータ指針の反応がスローなこと。
これは、カップリング・コンデンサを減らして改善出来るか否か調べる必要があります。

また、入力レベルの再検討もしてみたいし、これを使ってあれこれテストしながら、これ自身もチューン・アップして行きたいと思ってます。

雑感
幾種かの真空管を診て、意外に低いプレート電圧までgm値が頑張って?いるのが分かりました。
(これは、この試験器がおかしいってわけではなく、左図のようなハンドブックの詳細データを外挿してみれば分かる事なのですが、実際に操作して値を見ていると、それが如実に分かります)

ただ、増幅度が実用的な値なのかどうかに関しては、このgm表示値を参考にはしても、やはり実際に回路を組んで確かめる方がベターでしょうね。
この装置は、実際には使えないエミ減(エミッション減少)真空管を、早めに捨てるのにも役立ちそう。z(^^;

−−−−−−−−−−−−
電源部の壊れ [100608]
何とまぁ!この真空管試験器、テストしている間は元気だったのに、数日おいてから電源を入れたら、B電圧が30Vほどしか出なくなりました。つまり、電源部が壊れてしまったようです。

調べたら、2SC4001が3個共壊れていて、(テスタで測ると)CE間が60Ωだったり、CB,BE間が50Ωだったりで、どうやら耐圧不足 で壊れたようです。(2SC4001:VCBO=300V,VCEO=250V)
多分、160V整流電圧が、無負荷時に230V近くまで上昇していたのに、これを無視・放置していたのがいけなかったのでしょう。(不作為の罪?

日本橋の2SC4001を買った店には、このサイズで更に高い耐圧のトランジスタが無かったので、止む無く別の店で探して、1個\50の2SC3425を見付けました。(2SC3425:VCBO=500V,VCEO=400V)
それを10個ばかり買って来て(左上図<クリック>、右側のトランジスタ)、付け替えて修理完了!
今度は、多分大丈夫...でしょう。

(ところが、この中に2個、2SC3423(耐圧150V)が混じっていて、うっかりそれを使うところでした。あやうー!ま、2SC3425は、残り8個あるので良かった!もしこれが、ちょうど必要数だけだったら、アウト!)

珍空管を入手
試験器が治った時、ちょうどオークションで“不良品”として出品されていたWE418Aという、あまり見慣れない/珍しい真空管(マグノーバル管)を見掛けたので、(好奇心一杯で)買ってみました。(総費用\810/5本)
(オーディオ界では、お馴染みの球らしいです)

これは、第3グリッドが無い変則5極管(4極管)ですが、これももしかしたら低電圧動作が可能なのでは?と見込んだもの。
元の“不良内容”も、どのようなものなのか、まったく分からないのですが、多分、あるプレート&スクリーン電圧範囲でなら“正常動作”するだろうと予想。
そこで、別途、ネットでマグノーバル管用9Pソケットを購入(総費用\700/2個)

軽実験
9ピンMTソケットを利用したアダプタを作って、当試験器で、テストしてみました。(左上&左写真&<クリック>)
4本は、プレート電圧50Vで、gmが(静測定で)3〜5mΩ-1ほどありましたが、残り1本は、プレート電流が流れず、gmも測れませんでした。

これらが、正常な球なら、電圧50V以下でも動作させられるかも。それに、この4極管は中和が不要らしいから、高周波段でも使えるかな?
でも、低周波出力用3極管相当品だし、形は大きいし、ソケットもやや特殊だから、並みの利用は難しいかもしれませんねぇ。

課題
これを調べていて、試験器のgm計がカツンカツンと振り切れるのが気になりました。
(この球はいいとしても、)元々、このWE418Aは、gmが20mΩ-1を超えるらしいので、今の最大表示10mΩ-1では足りませぬ。なので、その内、これは改善するつもり。


[表紙頁]へ  関連記事の目次へ