|
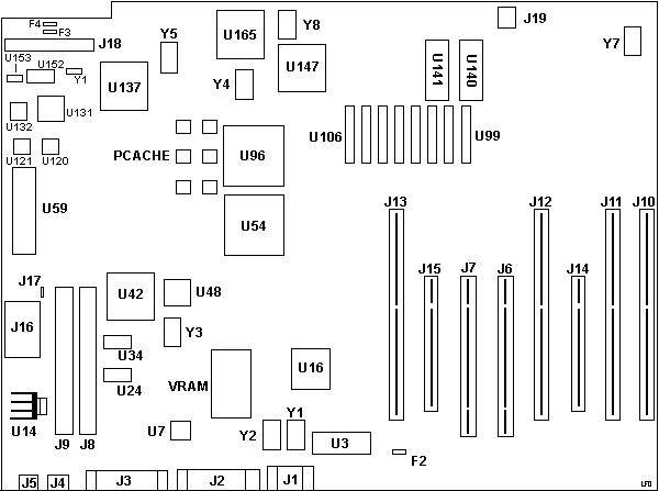
190-055 MODEL 80 (8580-A21, -A31) Planar Memory Power Supply 386DX-25, socket for 387DX-25, 64KB of L2 cache. DMA support on parallel port 64F4355 (U141) and 64F4356 (U140) BIOS Images. Original chips TI TMS 27C512 -1JL
8580-Axx Planar
FRU 85F0046
The -Axx supports up to 8MB on the planar, using 4MB
System Memory Boards. >The reason why IBM never put out CPU upgrades to the 8580 server was because they could not see their way clear to cooling any hotter CPU and planar adequately. T his was -mainly- the reason for the redesigned board in the 25MHz machines with the CPU no longer in the bottom most corner but in the middle. The CPU sits much closer to the PSU fan and gets "direct cooling". 8580 Memory Parity Errors ECA 051 M/T 8580 MODELS A21, A31 AND A16: INTERMITTENT OS/2 TRAP ERRORS 25MHz 8580 systems with 8MB of system board memory installed which are experiencing intermittent planar memory parity errors, such as OS/2 Trap 0002 or NMI errors on other complex operating systems. PHYSICAL CHECK: Examine the modules in position "U24" and "U34" located near J8 and J9, the system board memory sockets. If the part number on the module is FCT841, the system board should be replaced using this ECA. ┌─── IMPORTANT PLEASE READ ──────────────────────────────────────────────┐ │ INFORMATION PRINTED ON THE SYSTEM BOARD NEAR THE MODULE SHOULD BE │ │ IGNORED. ONLY INFORMATION PRINTED ON THE MODULE SHOULD BE USED WHEN │ │ MAKING THIS PHYSICAL CHECK. │ └────────────────────────────────────────────────────────────────────────┘ Modules with any identification other than "FCT841" (such as F841, 841D, 72F841, 72F841D, etc.) are good and the system board does not qualify for this ECA. DETAIL: Intermittent Trap 0002 errors may be experienced on 25MHz 8580 systems running OS/2 due to a timing condition on the system planar. Other complex operating systems may experience NMI or other errors depending upon the characteristics of the operating system. NOTES: This ECA only applies to the 25MHz 8580 models listed above which have the affected module numbers in position "U24" and "U34." Other 8580 models are not affected and are not eligible for this ECA.
|