EMULEX CORPORATION

SHORT PORT COLOR CARD COMPOSITE VIDEO

Card Type

Video card

Video Chip Set

Unidentified

Highest Resolution Supported

640 x 200

Maximum Video Memory

Unidentified

Data Bus

8-bit ISA

Video Types Supported

CGA

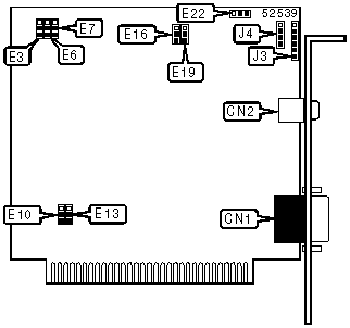
CONNECTIONS

Function

Label

Function

Label

9-pin digital video port

CN1

Light pen connector

J3

RCA jack

CN2

RF connector

J4

USER CONFIGURABLE SETTINGS

Function

Label

Position

»

Factory configured - do not alter

E3

Unidentified

»

Factory configured - do not alter

E6

Unidentified

»

Factory configured - do not alter

E7

Unidentified

 

Interface selected at Centronics

E16

Pins 2 & 3 closed

 

Interface selected at Dataproducts

E16

Pins 1 & 2 closed

 

Directional control internal

E19

Pins 2 & 3 closed

 

Directional control external

E19

Pins 1 & 2 closed

 

Bidirectional mode enabled

E22

Pins 2 & 3 closed

 

Bidirectional mode disabled

E22

Pins 1 & 2 closed

PARALLEL PORT RANGE SELECTION

Range

E10

E13

 

Enabled

Pins 2 & 3 closed

Pins 2 & 3 closed

»

0

Pins 2 & 3 closed

Pins 2 & 3 closed

 

1

Pins 2 & 3 closed

Pins 1 & 2 closed

 

2

Pins 1 & 2 closed

Pins 2 & 3 closed

 

Disabled

Pins 1 & 2 closed

Pins 1 & 2 closed

PARALLEL PORT INTERRUPT SELECTION

IRQ

E28

IRQ7

Pins 1 & 2 closed

IRQ5

Pins 2 & 3 closed

Note: The location of E28 is unidentified