GIGABYTE TECHNOLOGY CO., LTD.

686DLX

Device Type

Mainboard

Processor

Pentium II

Processor Speed

200/233/266/300/333/366MHz

Chip Set

Intel 440LX

Maximum Onboard Memory

1GB (EDO & SDRAM supported)

Cache

256/512KB (located on the Pentium II CPU)

BIOS

Unidentified

Dimensions

305mm x 244mm

I/O Options

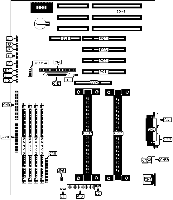
32-bit PCI slots (4), floppy drive interface, IDE interfaces (2), Wide Ultra SCSI interface, Wide SCSI interface, parallel port, PS/2 mouse port, serial ports (2), IR connector, USB connectors (2), ATX power connector, AGP slot, RAID slot

CONNECTIONS

Purpose

Location

Purpose

Location

AGP slot

AGP

CPU fan power

J2

ATX power connector

ATX

CPU fan power

J4

Serial port 1

CN1

Speaker

J5

Parallel port

CN2

Reset switch

J6

Serial port 2

CN3

Power LED

J7

PS/2 mouse port

CN4

IDE interface LED

J8

USB connector 1

CN5A

IR connector

J9

USB connector 2

CN5B

Green PC switch

J10

Ultra SCSI interface

CN6

Soft off power supply

J11

Ultra Wide SCSI interface

CN7

Green PC LED

J12

Floppy drive interface

CN8

Wake on LAN connector

J13

IDE interface 1

CN9

32-bit PCI slots

PC1 - PC4

IDE interface 2

CN10

RAID slot

SL1

USER CONFIGURABLE SETTINGS

Function

Label

Position

»

System full on after power interruption

JP5

Closed

 

System soft off after power interruption

JP5

Open

DIMM CONFIGURATION

Size

Bank 0

Bank 1

Bank 2

Bank 3

8 MB

(1) 1M x 64

None

None

None

16 MB

(1) 1M x 64

(1) 1M x 64

None

None

16 MB

(1) 2M x 64

None

None

None

24 MB

(1) 1M x 64

(1) 1M x 64

(1) 1M x 64

None

32 MB

(1) 1M x 64

(1) 1M x 64

(1) 1M x 64

(1) 1M x 64

32 MB

(1) 2M x 64

(1) 2M x 64

None

None

32 MB

(1) 4M x 64

None

None

None

40 MB

(1) 2M x 64

(1) 2M x 64

(1) 1M x 64

None

48 MB

(1) 2M x 64

(1) 2M x 64

(1) 2M x 64

None

64 MB

(1) 2M x 64

(1) 2M x 64

(1) 2M x 64

(1) 2M x 64

64 MB

(1) 4M x 64

(1) 4M x 64

None

None

64 MB

(1) 8M x 64

None

None

None

80 MB

(1) 4M x 64

(1) 4M x 64

(1) 2M x 64

None

96 MB

(1) 4M x 64

(1) 4M x 64

(1) 4M x 64

None

DIMM CONFIGURATION (CONT’)

Size

Bank 0

Bank 1

Bank 2

Bank 3

128 MB

(1) 4M x 64

(1) 4M x 64

(1) 4M x 64

(1) 4M x 64

128 MB

(1) 8M x 64

(1) 8M x 64

None

None

128 MB

(1) 16M x 64

None

None

None

130 MB

(1) 8M x 64

(1) 8M x 64

(1) 4M x 64

None

192 MB

(1) 8M x 64

(1) 8M x 64

(1) 8M x 64

None

256 MB

(1) 8M x 64

(1) 8M x 64

(1) 8M x 64

(1) 8M x 64

256 MB

(1) 16M x 64

(1) 16M x 64

None

None

256 MB

(1) 32M x 64

None

None

None

320 MB

(1) 16M x 64

(1) 16M x 64

(1) 8M x 64

None

384 MB

(1) 16M x 64

(1) 16M x 64

(1) 16M x 64

None

512 MB

(1) 16M x 64

(1) 16M x 64

(1) 16M x 64

(1) 16M x 64

512 MB

(1) 32M x 64

(1) 32M x 64

None

None

640 MB

(1) 32M x 64

(1) 32M x 64

(1) 16M x 64

None

768 MB

(1) 32M x 64

(1) 32M x 64

(1) 32M x 64

None

1024 MB

(1) 32M x 64

(1) 32M x 64

(1) 32M x 64

(1) 32M x 64

CACHE CONFIGURATION

Note: The 256/512KB cache is located on the Pentium II CPU.

CPU SPEED SELECTION

CPU speed

Clock speed

Multiplier

SW1/1

SW1/2

SW1/3

SW1/4

200MHz

66MHz

3x

Off

On

Off

Off

233MHz

66MHz

3.5x

On

On

Off

Off

266MHz

66MHz

4x

Off

Off

On

Off

300MHz

66MHz

4.5x

On

Off

On

Off

333MHz

66MHz

5x

Off

On

On

Off

366MHz

66MHz

5.5x

On

On

On

Off