B & B ELECTRONICS
422ICCA, 422ICCB
|
Card Type |
Serial |
|
Chipset |
16550A (422ICCA) 16750 (422ICCB) |
|
I/O Options |
Serial port |
|
Data Bus |
8-bit ISA |
|
CONNECTIONS | |
|
Function |
Label |
|
RS-422 or RS-485 serial port |
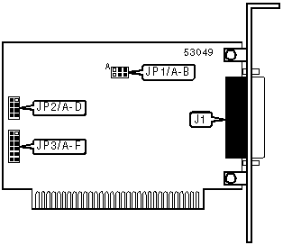
J1 |
|
USER CONFIGURABLE SETTINGS | |||
|
Setting |
Label |
Position | |
|
Serial port is RS-485 |
JP1/A |
Pins 1 & 2 closed | |
|
Serial port is RS-422 |
JP1/A |
Pins 2 & 3 closed | |
| » |
Handshaking signals normal |
JP1/B |
Pins 1 & 2 closed |
|
Handshaking signals forced high |
JP1/B |
Pins 2 & 3 closed | |
|
SERIAL PORT ADDRESS SELECTION | ||||
|
Setting |
JP2/A |
JP2/B |
JP2/C |
JP2/D |
|
3F8h (COM1:) |
Closed |
Open |
Open |
Open |
|
2F8h (COM2:) |
Open |
Closed |
Open |
Open |
|
3E8h (COM3:) |
Open |
Open |
Closed |
Open |
|
2E8h (COM4:) |
Open |
Open |
Open |
Closed |
|
INTERRUPT SELECTION | ||||||
|
Setting |
JP3/A |
JP3/B |
JP3/C |
JP3/D |
JP3/E |
JP3/F |
|
IRQ2 |
Open |
Open |
Open |
Open |
Open |
Closed |
|
IRQ3 |
Open |
Open |
Open |
Open |
Closed |
Open |
|
IRQ4 |
Open |
Open |
Open |
Closed |
Open |
Open |
|
IRQ5 |
Open |
Open |
Closed |
Open |
Open |
Open |
|
IRQ6 |
Open |
Closed |
Open |
Open |
Open |
Open |
|
IRQ7 |
Closed |
Open |
Open |
Open |
Open |
Open |